ZL6205如何解决储能电容所致的缓慢掉电?
原标题:ZL6205如何解决储能电容所致的缓慢掉电?
本文引用地址:http://www.eepw.com.cn/article/202007/415450.htm
1. LDO电路中电容的作用
对于需要进行掉电保存或掉电报警功能的产品,利用大容量电容的储能作用,为保存数据和系统关闭提供时间,往往是很多工程师的选择。而在不需要掉电保存数据的系统中,为了抑制电源纹波、电源干扰和负载变化,在电源端也会并接一个适当容量的电容。电容作为LDO输出端必须的器件,那么对于普通的LDO这么多的电容可能会产生什么影响呢?而带掉电快速放电功能的ZL6205又是怎么做到既能保证电容能够为MCU保存数据提供时间又能够做到快速掉电的呢?

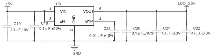
2. 某普通LDO应用电路
图1为实际应用中某普通LDO电路,该电路输入输出端均有较大的电容连接。该LDO是一个普通的LDO,在上下电过程中基本可以看成是输出跟随输入的。当LDO输入端掉电,输出端电容的残存电荷得不到快速释放时,会造成LDO输出端掉电缓慢。

图2 某普通LDO缓慢掉电过程
3. 某普通LDO掉电测试
为了看到普通LDO的掉电过程,基于图1的应用电路,掉电过程实测如图2所示。图中蓝色线(通道1)为掉电时输入的电压波形,粉色线(通道2)为掉电时输出电压波形。图中可以看到该LDO在没有其他额外的电流泄放电路辅助时,输出电压经过2s的缓慢掉电,输出端电压值只跌落到300mV。

4. 缓慢掉电对MCU的影响
增大电容使用上面某普通LDO的确能够为MCU保存数据提供了足够的时间,但是MCU保存数据都是在掉电的初期进行的,在掉电的后期,低压区阶段还在缓慢掉电对MCU又会产生什么影响呢?
我们都知道MCU都有一定的上电时序要求,例如图3为某MCU的上电要求,根据图中可知该MCU对上电的要求有:
1、上电前的电压VI需要低于200mV至少12us;
2、上电时间tr不能超过为500ms。
当上面的普通LDO给该MCU供电时,要是进行掉电又快速上电的测试,根据图2可知,该LDO经过2s的掉电,电压依然会维持到300mV左右,即使接入MCU做负载,但是当仅仅给MCU这样的轻负载供电时,MCU一旦进入欠压区域,内部就会进入保护状态,很多外设会关闭,消耗电流会很小,对LDO的掉电过程影响极为有限。所以该普通的LDO给该MCU供电在掉电后需要做快速再次启动上电时就会不满足要求1:上电前的电压VI需要低于200mV至少12us。这样该MCU有可能会“死机”。

图4 ZL6205快速掉电过程
5. ZL6205掉电测试
现在使用引脚封装兼容的ZL6205直接替换上面图1的普通LDO,然后在相同的电源下进行掉电测试。图4实测相同的电路下ZL6205的掉电过程。其中蓝色线(通道1)为掉电时输入的电压波形,粉色线(通道2)为掉电时输出电压波形。
上面说到某普通LDO在大电容的电路中也能够为MCU保存数据提供时间,但是普通的LDO在MCU保存完数据以后,电压很长时间都不能跌落到0V,容易造成MCU在再次启动时“死机”。从图4的ZL6205掉电曲线可以看到,ZL6205因为在VIN>2.1V之前VOUT会跟随VIN的电压,这就能够为MCU掉电初期保存数据提供时间,只要改变输入电容的大小就能控制这个跟随阶段的时间长短,为保存数据提供需要的时间。在VIN≤2.1V后,ZL6205的电压就会快速跌落到0V,这样就能避免不满足上面MCU的上电要求而容易造成“死机”的现象。可以说是既为MCU在掉电初期保存数据提供了需要的时间,掉电后期又实现了快速掉电,为MCU再次上电提供保障。

图5 ZL6205内部框图
ZL6205为什么能够快速掉电呢?图5是ZL6205结构框图,ZL6205在输入欠压或者EN禁能时会把输出关闭,这样即使输入端掉电很缓慢也不会影响输出快速掉电,并且ZL6205在输出关闭后会立刻启动内部掉电快速放电电路使输出端电容的残存电荷得到快速释放,加速电压跌落。
上面图4的掉电波形是使用图1的电路测试的,因为图1的LDO使能脚EN直接接到VIN,所以会有一段输出跟随输入电压的过程。这种电路非常适合MCU在掉电时需要时间保存数据,同时又需要快速放电的系统。
对于上下电需要一步到位的供电系统,可以使用下图6这样的电路。因为ZL6205带使能引脚,有着相对稳定的使能电压阈值。通过不同比例的分压电阻可以设置芯片上电启动电压值和掉电输出关闭电压。

假如使用EN脚使用电阻分压设置上电使能电压值(如上图6,具体EN实际使能电压详见ZL6205数据手册),上电和掉电过程就会如图7所示,蓝色为ZL6205的输入电压,粉色为ZL6205输出电压。当输入电压跌落到了设置的关闭电压值,ZL6205的输出快速掉电。当输入电压上升到设置的电压值时,ZL6205快速启动。上下电过程中,输出都没有跟随输入的阶段,掉电和上电都是一步到位,这样的上下电速度是完全满足MCU的上电要求的。

除了ZL6205,ZLG还有兼容1117封装的ZL6105系列LDO,它同时具有ZL6205这样的快速上下电的特点,此外,还有超低功耗的ZL6201(静态电流低至1.6μA),特别适合用于电池供电场合。
- 5星
- 4星
- 3星
- 2星
- 1星
- 暂无评论信息